Webseite durchsuchen:
Weiterführende Links
Merkliste

Ihre Merkliste ist leer

1SP0635D2S1R-CM1200HC-66X

Kompakter einkanaliger intelligenter Plug-and-Play-Gate-Treiber, optimiert für 130 x 140 mm große Einzel-IGBT-Hochleistungsmodule (IHM)

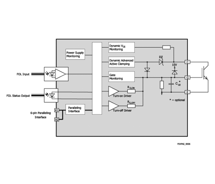
Die Plug-and-Play-Gate-Treiber 1SP0630 sind kompakte intelligente Einkanal-Gate-Treiber, die für 130 x 140 mm große IGBT-High-Power-Module (IHM) optimiert sind, die in Eisenbahn- und anderen langlebigen Anwendungen eingesetzt werden.  Die kompakten SCALE-2-Gate-Treiber entsprechen der Grundfläche der kleineren IHM-Einzelkanal-IGBT-Modulformate mit 1200 A bis 1400 A Ausgangsstrom und 3300 V IGBT-Sperrspannung.  

Diese Gate-Treiber erfüllen die IEC 61373-Spezifikationen für Schock und Vibration sowie die IEC 60068-2-xx-Umweltanforderungen. Die Geräte sind außerdem EMV-qualifiziert gemäß EN 50121-3-2 und IEC 6100-4-x. Die neuen Gate-Treiber sind standardmäßig mit einer Schutzlackierung versehen und können auf Wunsch auch einem Burn-In unterzogen werden, um die Zuverlässigkeit zu erhöhen. Verbesserte Steckverbinder erhöhen die Verbindungssicherheit und ermöglichen eine schnelle Freigabe ohne Werkzeug. Faseroptische Schnittstellen sind vorhanden.

Alle 1SP0630-Gate-Treiber verfügen über das Dynamic Advanced Active Clamping von Power Integrations, das einen erweiterten Zwischenkreisspannungsbereich im IGBT-"Aus"-Zustand für bis zu 60 Sekunden in Bahn- und Regenerationsanwendungen ermöglicht.  Ebenfalls enthalten sind ein Kurzschluss- und Unterspannungsschutz sowie ein Fehlerstatusausgang.

Eine Komplettlösung besteht aus einem "Haupt"-Treiber ("V2M1" oder "S2M1"), einem oder mehreren "peripheren" Treibern ("D2S1") und einer externen Stromversorgung (ISO6125R-33).  Kabel (RLC-IMS-61-050-0 und RLC-PSI-41-050-0) verbinden die Treiber, die Stromversorgung und den externen Steuerschaltkreis.

Hochintegriert, kompakte Bauweise

  • Sofort einsatzbereite Gate-Treiberlösung für Leistungsmodule bis 3300 V Blockierspannung
  • Einkanaliger Gate-Treiber
  • 30 A Spitzenausgangs-Gatestrom
  • 1,6 W Ausgangsleistung bei maximaler Betriebstemperatur
  • Optimiert für Mitsubishi's Half-Bridge Power Module CM-1200HC-66X
  • Betriebstemperatur von -40 °C bis +85 °C Umgebungstemperatur
  • Optische Statusanzeige


Schutz-/Sicherheitsmerkmale

  • Unterspannungsabschaltung (UVLO) für den Haupttreiber
  • Kurzschlussschutz
  • Dynamische erweiterte aktive Klemmung (DA2C)
  • Doppelseitige Schutzlackierung (mit ELPEGUARD SL 1307 FLZ/2 von Lackwerke Peters)
IGBT Hersteller:
Mitsubishi/Powerex
Unterstützte Module:
CM1200HC-66X
Modulgehäuse:
130 x140 mm (IHM)
Ansteuerung:
Direct-Independent
Interface-Typ:
Fiber Optic
Gate-Strom:
+35 A
Ausgangsleistg./ Kanal:
3.0 W
Sperrspannung (max):
3300 V
Versorgungsspg.:
15 V
Max. Schaltfreq.:
15.0 kHz
Temperaturbereich:
-40 ℃ ... 85 ℃
Schutzfunktionen:
Dynamic Adv Active Clamping, Over-voltage, Short Circuit, UVLO(Sec-side)
Delay time:
Rise: 9 ns - Fall: 30 ns
Isolation Type:
Basic
Conformal Coating:
Nein

Power Integrations bietet hochintegrierte IGBT-Treiber. Basierend auf jahrzehntelanger Erfahrung wurden für die Treiber- und Überwachungsfunktionen ASICs entwickelt, die zusammen mit den induktiven Übertragern das Kernstück der Treiber bilden. Umfangreicher Applikationssupport beim Design wird angeboten.

Hochintegrierte Treiberbausteine: günstiger als diskrete Eigenentwicklung

MOSFETs und IGBTs sind im Gegensatz zu bipolaren Leistungshalbleitern angenehm mit wenig Leistung zu steuern. Doch müssen hohe Gate-Kapazitäten umgeladen und bei gestockten IGBTs für HGÜ (Hochspannungs-Gleichstrom-Übertragung) auch große Potentialdifferenzen überbrückt werden. Hinzu kommen Schutzfunktionen für die Leistungshalbleiter und eine negative Vorspannung zu sperrender IGBTs, damit diese nicht infolge von Transienten in Brückenschaltungen durchschalten und ausfallen können.

Angesichts der hohen Spannungen ist hier einiges Know-How erforderlich. So sind spezielle Vorschriften zu Isolationsabständen, Luft- und Kriechstrecken und der Teilentladungsfestigkeit einzuhalten und diese auch mit teuren Messgeräten zu überprüfen. Ebenso ist die Degradation des Platinensubstrats und die Migration von Metallionen in diesem zu berücksichtigen, die andernfalls zu vorzeitigen Kurzschlüssen und Totalausfällen führen kann.

Statt aufwendige eigene Entwicklungen zu starten, ist es hier sinnvoll, erprobte, sichere unter Verwendung eigens entwickelter, monolithisch hochintegrierter Halbleiterbausteine sowie eigener Planar-Übertrager designte Treibermodule zu verwenden, wie sie Power Integrations unter der Bezeichnung SCALE (steht für Scaleable, Compact, All-purpose, Low-cost and Easy-to-use) anbietet. Power Integrations, zuvor CONCEPT, entwickelt seit über 30 Jahren IGBT-Treiberlösungen und verfügt deshalb über unerreichte Erfahrung mit dieser Thematik.

Die SCALE-Bausteine werden mit Standard-Logikpegeln von 3,3 bis 15 V angesteuert und sind im IGBT-Bereich sehr wirtschaftlich: Sie sind günstiger und zuverlässiger als konventionelle, diskrete Schaltungsdesigns, insbesondere, wenn es um die Ansteuerung von Hochvolt-IGBTs geht. Damit bietet HY-LINE Power Components Ihnen alles rund um Wechselrichter und Hochleistungs-DC/DC-Wandler aus einer Hand.

Es gibt von Power Integrations einerseits allgemeine Module, die SCALE Driver Cores, und andererseits auf bestimmte IGBT-Module angepasste Bausteine, die SCALE Plug-and-Play Driver. Hinzu kommen die monolithisch integrierten SCALE iDriver-Chips.

Sie haben Fragen zu unseren Produkten?
Lassen Sie es uns wissen.
HY-LINE Technology GmbH
+49 89 614 503 10sales@hy-line.de

News & Veröffentlichungen

Weitere Informationen zu unseren Produkten

Informieren Sie sich über unsere Produkte: aktuelle News, Whitepaper, Broschüren und Videos von HY-LINE.

Newsletter

Sie erwartet technisches Wissen & Kompetenz

Ich akzeptiere die Datenschutzerklärung. Ich willige ein, dass meine Daten im Rahmen der Bearbeitung der Anfrage verarbeitet werden.