Webseite durchsuchen:
Weiterführende Links
Merkliste

Ihre Merkliste ist leer

1SP0351V2C0C-T2000BB45G

Single-Channel Plug&Play-Gate-Treiber für 4500-V-Presspack-IGBTs und -IEGTs

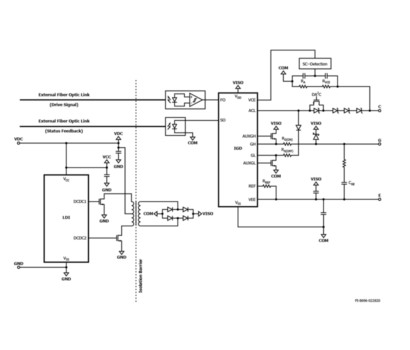
Der einkanalige Plug-and-Play-Gate-Treiber 1SP0351 basiert auf dem SCALE-2-Chipsatz. Er ist für den Betrieb von 4500 V Press-Pack IGBT-Leistungsmodulen von Herstellern wie Toshiba, Westcode und ABB optimiert. Der Gate-Treiber verfügt über optische Schnittstellen und eine integrierte DC/DC-Stromversorgung mit Basisisolierung. Ein verbessertes Schutzniveau wird durch eine integrierte Kurzschlussüberwachung gewährleistet. Das Dynamic Advanced Active Clamping von Power Integrations ermöglicht einen erweiterten Zwischenkreisspannungsbereich im IGBT-Aus-Zustand von bis zu 60 s.

Der SCALE-2 ASIC-Chipsatz nutzt hochentwickelte digitale Steuerungstechniken, um die Anzahl der Komponenten im Vergleich zu herkömmlichen Lösungen um bis zu 85 % zu reduzieren und so die Zuverlässigkeit deutlich zu erhöhen.

  • Einkanaliger Gate-Treiber
  • Kompakte autonome Plug-and-Play-Lösung
  • Geeignet für Press Pack und Module
  • Faseroptische Schnittstelle
  • +15 V / -10 V Gate-Ansteuerung
  • Gatespannung reguliert
  • IGBT/IEGT Kurzschluss- und Überstromschutz
  • Dynamische erweiterte aktive Klemmung (DAAC)
  • Eingebauter isolierter und geregelter DC-DC-Wandler
  • DC-DC-Überlastüberwachung
  • Kriech- und Luftstrecken gemäß IEC-Normen
IGBT Hersteller:
IXYS UK Westcode
Unterstützte Module:
T2000BB45G
Modulgehäuse:
Press-Pack
Ansteuerung:
Direct-Independent
Interface-Typ:
Fiber Optic
Gate-Strom:
+50 A
Ausgangsleistg./ Kanal:
1.8 W
Sperrspannung (max):
4500 V
Versorgungsspg.:
15 V
Max. Schaltfreq.:
2.0 kHz
Temperaturbereich:
-40 ℃ ... 85 ℃
Schutzfunktionen:
Dynamic Adv Active Clamping, Over-voltage, Short Circuit, UVLO(Sec-side), UVLO(Pri-side)
Delay time:
Rise: - Fall:
Isolation Type:
Basic
Conformal Coating:
Ja
UL:
compliant

Power Integrations bietet hochintegrierte IGBT-Treiber. Basierend auf jahrzehntelanger Erfahrung wurden für die Treiber- und Überwachungsfunktionen ASICs entwickelt, die zusammen mit den induktiven Übertragern das Kernstück der Treiber bilden. Umfangreicher Applikationssupport beim Design wird angeboten.

Hochintegrierte Treiberbausteine: günstiger als diskrete Eigenentwicklung

MOSFETs und IGBTs sind im Gegensatz zu bipolaren Leistungshalbleitern angenehm mit wenig Leistung zu steuern. Doch müssen hohe Gate-Kapazitäten umgeladen und bei gestockten IGBTs für HGÜ (Hochspannungs-Gleichstrom-Übertragung) auch große Potentialdifferenzen überbrückt werden. Hinzu kommen Schutzfunktionen für die Leistungshalbleiter und eine negative Vorspannung zu sperrender IGBTs, damit diese nicht infolge von Transienten in Brückenschaltungen durchschalten und ausfallen können.

Angesichts der hohen Spannungen ist hier einiges Know-How erforderlich. So sind spezielle Vorschriften zu Isolationsabständen, Luft- und Kriechstrecken und der Teilentladungsfestigkeit einzuhalten und diese auch mit teuren Messgeräten zu überprüfen. Ebenso ist die Degradation des Platinensubstrats und die Migration von Metallionen in diesem zu berücksichtigen, die andernfalls zu vorzeitigen Kurzschlüssen und Totalausfällen führen kann.

Statt aufwendige eigene Entwicklungen zu starten, ist es hier sinnvoll, erprobte, sichere unter Verwendung eigens entwickelter, monolithisch hochintegrierter Halbleiterbausteine sowie eigener Planar-Übertrager designte Treibermodule zu verwenden, wie sie Power Integrations unter der Bezeichnung SCALE (steht für Scaleable, Compact, All-purpose, Low-cost and Easy-to-use) anbietet. Power Integrations, zuvor CONCEPT, entwickelt seit über 30 Jahren IGBT-Treiberlösungen und verfügt deshalb über unerreichte Erfahrung mit dieser Thematik.

Die SCALE-Bausteine werden mit Standard-Logikpegeln von 3,3 bis 15 V angesteuert und sind im IGBT-Bereich sehr wirtschaftlich: Sie sind günstiger und zuverlässiger als konventionelle, diskrete Schaltungsdesigns, insbesondere, wenn es um die Ansteuerung von Hochvolt-IGBTs geht. Damit bietet HY-LINE Power Components Ihnen alles rund um Wechselrichter und Hochleistungs-DC/DC-Wandler aus einer Hand.

Es gibt von Power Integrations einerseits allgemeine Module, die SCALE Driver Cores, und andererseits auf bestimmte IGBT-Module angepasste Bausteine, die SCALE Plug-and-Play Driver. Hinzu kommen die monolithisch integrierten SCALE iDriver-Chips.

Sie haben Fragen zu unseren Produkten?
Lassen Sie es uns wissen.
HY-LINE Technology GmbH
+49 89 614 503 10sales@hy-line.de

News & Veröffentlichungen

Weitere Informationen zu unseren Produkten

Informieren Sie sich über unsere Produkte: aktuelle News, Whitepaper, Broschüren und Videos von HY-LINE.

Newsletter

Sie erwartet technisches Wissen & Kompetenz

Ich akzeptiere die Datenschutzerklärung. Ich willige ein, dass meine Daten im Rahmen der Bearbeitung der Anfrage verarbeitet werden.